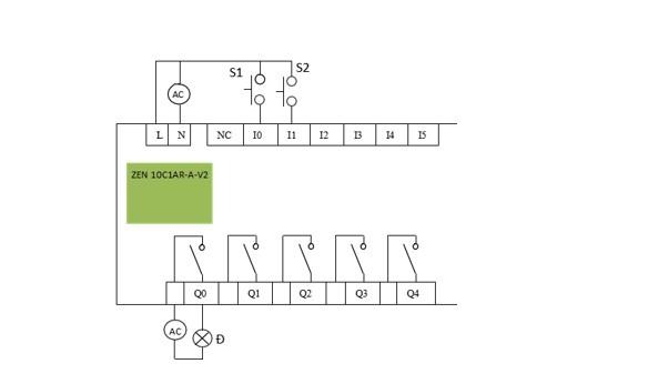
1.Bật /tắt bóng đèn qua 2 nút nhấn.


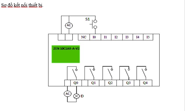
2.Bật /tắt bóng đèn qua một nút nhấn.

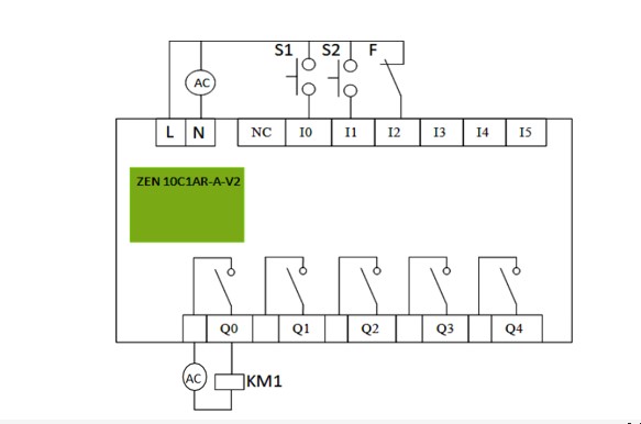
3.Khởi động trực tiếp động cơ không đồng bộ 3 pha roto lồng sóc.


4.Đảo chiều quay động cơ không đồng bộ 3 pha roto lồng sóc.

Trên đây là 1 số bài về Zen có thắc mắc thì comment mình giải đáp thắc mắc nhé ……








