Nội dung chính:
1. Rơ le thời gian là gì ?
Định nghĩa Rơ Le thời gian.
Rơ le thời gian (hay còn gọi là Timer) là một thiết bị điện dùng để tạo ra một khoảng thời gian trễ, điều khiển thời gian đóng hoặc cắt các tiếp điểm của rơ le thông qua một mạch điện tử. Rơ le thời gian là một thiết bị điện phổ biến trong các hệ thống điều khiển tự động, có chức năng điều khiển hoạt động của các thiết bị điện dựa trên thời gian được cài đặt trước. Nó giúp quản lý các thiết bị điện như đèn chiếu sáng, quạt thông gió, máy sưởi, hệ thống tưới nước, cửa tự động, và nhiều thiết bị khác, bằng cách tắt hoặc mở chúng theo một chu kỳ thời gian nhất định.
Ứng dụng.
Rơ le thời gian được ứng dụng rộng rãi trong các hệ thống điều khiển, giúp tiết kiệm năng lượng và bảo vệ thiết bị khỏi việc hoạt động liên tục không cần thiết. Thời gian trễ của rơ le có thể được cài đặt từ vài giây đến vài giờ, tùy thuộc vào yêu cầu được đặt ra

2. Phân loại Relay thời gian:
Có 2 loại rơ le thời gian cơ bản đó là.
+ ON Delay: Rơ le thời gian ON Delay là loại rơ le mà các tiếp điểm của nó thay đổi trạng thái sau một khoảng thời gian trễ kể từ khi nguồn được cấp vào.
+ OFF Delay: Rơ le thời gian OFF Delay có cơ chế ngược lại. Các tiếp điểm thay đổi trạng thái ngay lập tức khi nguồn được cấp vào, nhưng sẽ giữ nguyên trạng thái sau khi nguồn bị ngắt, cho đến khi hết thời gian trễ được cài đặt.
Ngoài hai loại cơ bản này, còn có các loại rơ le thời gian như rơ le thời gian 24h, được sử dụng để bật/tắt các thiết bị theo các giờ trong ngày, chẳng hạn như đèn chiếu sáng hoặc máy bơm.

Đặc điểm chung của rơ le thời gian.
+ Cuộn dây rơ le thời gian: Điện áp đầu vào cho cuộn dây thường là 110V hoặc 220V, tùy vào loại rơ le cụ thể.
+ Cấu tạo của một Timer: Một rơ le thời gian bao gồm các bộ phận chính như mạch từ của nam châm điện, mạch điện tử đếm thời gian, hệ thống tiếp điểm, vỏ bảo vệ và đế của Timer.
3. Các Loại Rơ Le Thời Gian Thông Dụng
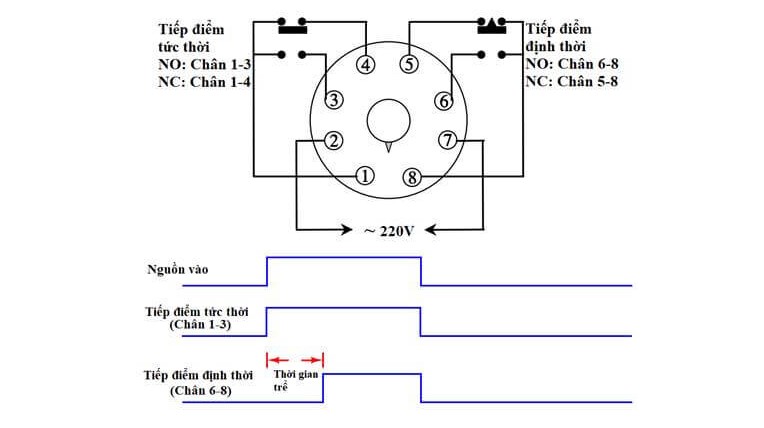
3.1 Rơ Le thời gian On Delay

Khi cấp nguồn vào cuộn dây (chân 2-7) của rơ le thời gian ON Delay, các tiếp điểm thay đổi trạng thái ngay lập tức. Tuy nhiên, các tiếp điểm định thời chỉ chuyển trạng thái sau khoảng thời gian đã được cài đặt trước đó.
Khi ngưng cấp nguồn vào cuộn dây, các tiếp điểm sẽ quay trở lại trạng thái ban đầu.

3.2 Rơ Le thời gian OFF Delay

Khi cấp nguồn vào cuộn dây của rơ le OFF Delay, các tiếp điểm thay đổi trạng thái ngay lập tức.
Tuy nhiên, khi nguồn bị ngắt, các tiếp điểm tức thời sẽ trở lại trạng thái ban đầu, nhưng tiếp điểm định thời sẽ giữ nguyên trạng thái cho đến khi hết thời gian trễ đã cài đặt trước đó.









